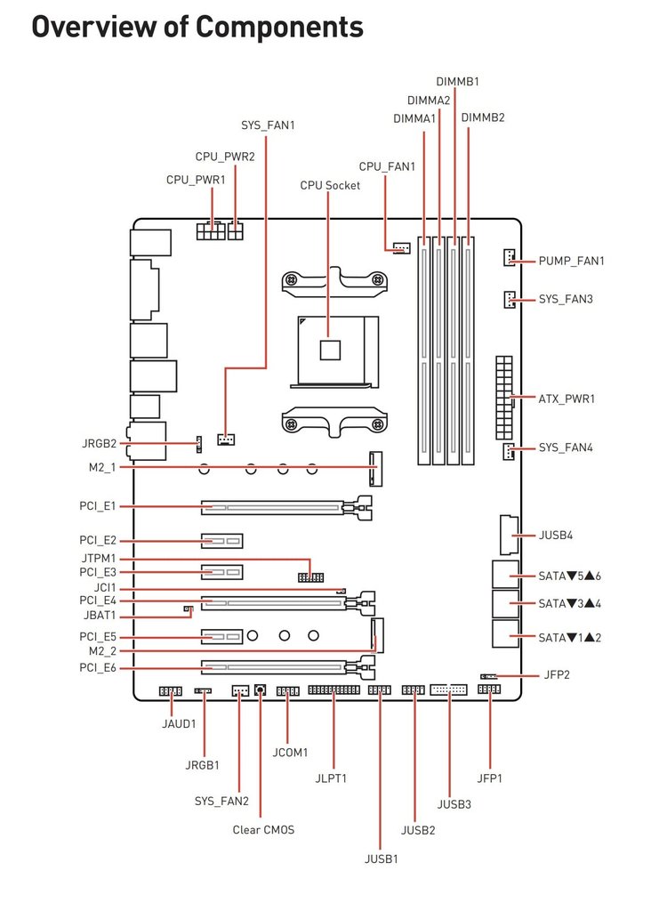
dadozzo ho verificato la nic in ogni slot e funziona ovunque tranne nell'ultimo ( quello che mi hai consigliato te)
Hai degli SSD M2 installati vero? Quello slot viene disabilitato quando installi l'ssd.



Gli slot x1 sono tutti PCI-E 2.0 troppo lenti per gestire una scheda ethernet 2,5G....
Devi provare con il secondo slot PCI-E x16 (PCIE_4) segando del 50% la banda dati alla GPU e deviando un x8 alla scheda di rete.
edd Tutti gli slot x1 sono pcie 2.0, la scheda è pcie 2.0, non vedo perché non dovrebbe andare su quelli.
Per andare gli va, come ha già testimoniato, ma non certo a 2,5G (2,5+2,5 sono 5Gbps.... il pcie 2.0 è troppo lento).
dadozzo Cerco solo soluzioni, ritengo che la mia tesi sia corretta.
La soluzione è una soltanto: cambiare scheda madre. E' tecnologicamente troppo vecchia per supportare i 2,5G insieme a una scheda video x16.
Slot pci-e 2.0 sono roba di dieci anni fa... Non si possono vedere nel 2022 😅
E' stato il principale motivo per cui ho abbandonato il mio vecchio FX-8350 su scheda AM3... Sono specifiche tecniche che andavano bene nel 2009 quando erano appena uscite.
edd Oppure semplicemente è colpa di Iliad e stiamo cercando il colpevole nel posto sbagliato.
No no, è colpa del pc che è una carretta 😉 Non c'è driver e bios che tenga, è troppo vecchia quella scheda madre.