Ruberoshido
Proverò a risponderti nel modo più semplice possibile ma ahimè non sarà corta come risposta ma almeno chiariamo tutti i dubbi.
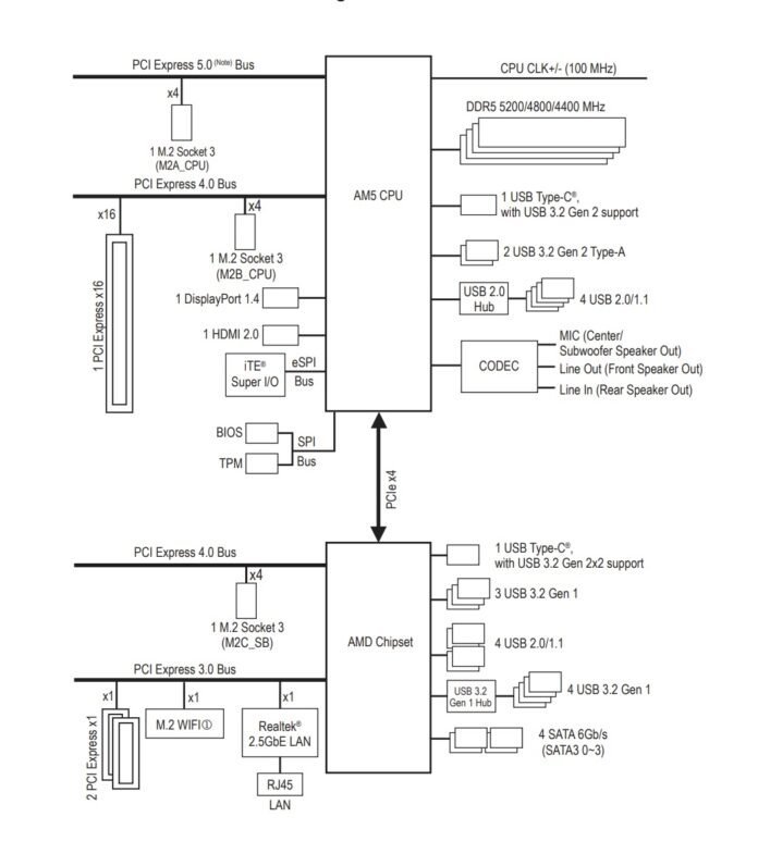
La tu scheda madre ha un chipset B650 che è considerato mainstream. Il tuo chipset + la tua CPU su piattaforma M5 hanno in tutto 36 linee pci-express. Con i diagramma a blocchi della tua scheda madre ti spiego come le hanno utilizzate ( ogni marca le gestisce in modo diverso)

il socket AM5 ha 28 linee di cui nella fattispecie del tuo caso cosi utilizzate :
4x PCI-Express 5.0 per il primo slot M2 NVME (per dare la possibilità ai gamers di usare i primi SSD NVME 5.0)
20x PCI-Express 4.0 condivisi tra il secondo SSD NVME 4x e 16x per la scheda grafica
4x PCI-Express dirette bi-direzionali per collegare la CPU al Chipset B650
Dal chipset hai le seguenti linee :
4x PCI-express 4.0 per il terzo SSD NVME
4x PCI-Express 3.0 divise tra due slot full a X1 a cui puoi aggiungere due schede, M2 WIFI+Bluetooth x1 e la scheda di rete x1.
Totale 36.
La massima velocità teorica del PCI-express 3.0 è 985 Mb/s (megabyte al secondo) per linea, che in questo caso sarebbe il tuo massimo. la 10 gigabits ha come massimo teorico 1250 Mb/s.
Quindi a livello teorico per i numeri massimi consentiti come vedi non basta.
Ora parliamo di realtà.
Partiamo dalla linea. Per avanzare una domanda del genere in italia immagino che il tuo obbiettivo sia massimizzare una fibra ottica TIM/fiberCop da 10 gbits XGS-PON. Se va bene riuscirai ad avere 8 giga di quei 10 e in condizioni di utilizzo di traffico normale potrebbero essere 6 contando che sono pochi i servizi che sanno negoziare e risponderti a 10 in questo momento.
Una rete 10 Gbps al massimo della efficenza, togliendo l'overhead viaggia a 9.53 Gbps.
uno slot PCI-express 3.0 x1 riesce a gestire circa 880 Mb/s, questo significa 7.04 Gbps dei 9.53 Gbps, che in una giornata normale può anche essere fattibile visto che faticheresti anche a trovare server reali sullo speedtest di ookla che fanno oltre i 6/7 dato che una connessione a 10Gbps viagga con un MTU di 1576.
Conclusione prendi la scheda su amazon da 10 giga la infili e ti godi il risultato, anche perchè gestire correttamente una 10Gbps su protocollo fisico RJ45 è sbagliato e poco efficente. Per connessioni del genere servono le connessioni SFP+ visto i consumi e il calore in gioco per averla stabile. Per questo la asus fa la scheda che hai menzionato sia in RJ45 che in SFP.
La cosa più sensata da fare nel tuo caso sarebbe una linea 2,5 Gbps in download e 1 Gbps in Upload, i soldi della scheda che vuoi comprare li usi invece per comprarti il Flint 2 e utilizzando la scheda di rete integrata della tua Motherboard viaggi che è una bellezza senza mal di testa e calcoli strani e problemi 🙂 Se non hai già attivato la 10 Gbps ovvio!
Per chi vuole approfondire i dettagli della 10 Gbps :
https://www.gracyfiber.com/what-is-the-maximum-throughput-of-10gb-ethernet/